Máy trộn vữa xi măng tiêu chuẩn JJ-5

Mã sản phẩm: JJ-5

  • Hãng:
  • Tình trạng: Còn hàng

Máy trộn vữa xi măng tiêu chuẩn ( Model jj-5) được Công ty TNHH Thiết Bị Và Đo Lường Việt Nam nhập khẩu tại Trung Quốc và phân phối tại Việt Nam, với đội ngũ có nhiêu năm kinh nghiệm trong lĩnh vực khoa học, chúng tôi luôn tự tin mang đến cho khách hàng những sản phẩm tốt nhất.

Máy trộn vữa xi măng tiêu chuẩn ( Model jj-5) được Công ty TNHH Thiết Bị Và Đo Lường Việt Nam nhập khẩu tại Trung Quốc và phân phối tại Việt Nam, với đội ngũ có nhiêu năm kinh nghiệm trong lĩnh vực khoa học, chúng tôi luôn tự tin mang đến cho khách hàng những sản phẩm tốt nhất.

Máy trộn vữa xi măng tiêu chuẩn phục vụ chủ yếu cho các đơn vị chế tạo xi măng, các trước học, viện nghiên cứu, các trung tâm thí nghiêm, các phòng thí nghiệm LASXD, ....

Máy trộn vữa xi măng tiêu tiêu chuẩn ( Model jj-5) là thiết bị dùng để tạo hỗn hợp vữa xi măng, máy được sản xuất và làm theo tiêu chuẩn thử nghiệm về cường độ quốc tế cho phép ( ISO 0674:1984E) và tiêu chuẩn Việt Nam TCVN 6116:2011, mặt khác máy đã được công nhận về việc thực hiện tiêu chuẩn xi măng của các nước tiên tiền như: Mỹ, Nhật Bản.

Máy trộn vữa xi măng tiêu chuẩn bao gồm:

     + Máy chính: 

  • Máy có công suất 550W
  • Máy dùng điện 220V/50Hz, 1 pha
  • Có bộ hộp số điều khiển tốc độ linh hoạt,
  • Tốc độ khuấy chính của máy là : 140 + 5v/phút và 285 + 10 v/Phút
  • Tốc dộ khuấy hành tinh của máy là: 62 + 5v/phút và 125 + 10v/phút
  • Máy có trọng lượng: ~ 70 kg

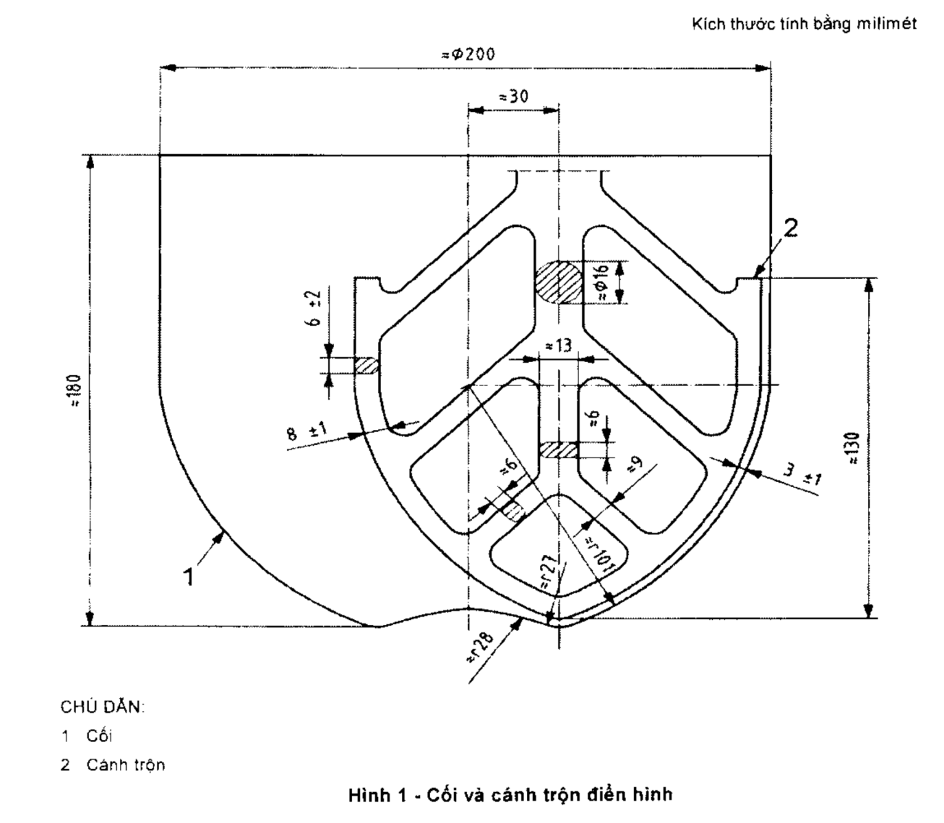
     + Bát trộn: là một cối trộn bằng thép không gỉ, có dung tích 5L ,có hình dạng và kích thước giống như hình 1, cối trộn được gắn với đế máy để trong suốt thời gian trộn được an toàn và đảm bảo 

     + Cánh trộn được làm bằng kim loại và có hình dạng, kích thước và dung sai như hình 1, cánh trộn chuyển động xung quanh trục của máy.

may-tron-vua-xi-mang

 

 Hình ảnh sản phẩm:

may-tron-vua-xi-mang-tieu-chuan 2may-tron-vua-xi-mang-tieu-chuan 3may-tron-vua-xi-mang-tieu-chuan 4

 

  • Xin chân thành cảm ơn Quý vị đã quan tâm, chúng tôi rất vinh hạnh khi nhận được ý kiến đóng góp của quý vị và chúng tôi cũng hy vọng nhận được sự cộng tác, sự hợp tác của Quý vị trong toàn quốc.

 

Từ khóa: